Robitaille und Fix The World
Der US-amerikanische Elektroingenieur James M. Robitaille entwickelt und baut 2013/14 eine eigene Variante des Thrapp-Generators, nachdem er eine solche Sprechstunde bei Thrapp in Anspruch genommen hat. Seinen im März 2014 fertiggestellten Prototypen tauft er „Quantum Energy Generator“ (QEG).17
Gemeinsam mit seiner Frau Valerie und seiner Stieftochter Naima „HopeGirl“ Feagin hat Robitaille bereits Ende 2012 die Fix The World Organization (FTW) gegründet. Ihr erklärtes Ziel: Lösungen für die Probleme der Welt zu sammeln, vorzustellen und systematisch umzusetzen.18
Der QEG stellt nur eines von vielen anderen Projekten dar, die FTW verfolgt. Er genießt allerdings die größte öffentliche Aufmerksamkeit, seit Robitaille am 25. März 2014 eine Bauanleitung mitsamt Stückliste auf der FTW-Website frei zugänglich gemacht hat.19 Das Dokument wird binnen 24 Stunden rund 20.000-mal heruntergeladen, in kürzester Zeit in verschiedene Sprachen übersetzt und von Menschen in aller Welt als Vorlage genutzt, den Generator nachzubauen.
Robitaille reist im Folgenden mit seinem Team in verschiedene Länder der Welt und hält Workshops ab, in denen er lokalen Gruppen bei der Konstruktion und Einstellung des QEG behilflich ist. Vorgeblich um die Reise- und Materialkosten zu decken und seine eigene Forschung zu finanzieren, sammelt er gemeinsam mit seiner Stieftochter Naima (HopeGirl) im Namen von FTW Spendengelder und bietet persönliche Beratungsgespräche via Skype an (für 300 Dollar die Stunde).20
Trotz aller Bemühungen und stolzer Geldsummen ist es bisher allerdings weder Robitaille selbst noch einer von ihm instruierten Gruppe gelungen, Overunity zu erreichen. Der derzeit effizienteste QEG scheint von einer britischen Gruppe konstruiert worden zu sein und weist angeblich einen Wirkungsgrad von ca. 85 Prozent auf21 – eine Zahl, die allerdings nicht durch öffentlich nachvollziehbare Messungen verifiziert ist. Eine Nachricht des marokkanischen QEG-Teams, nach der man dort am 17. Mai Overunity erreicht habe, entpuppt sich im Nachhinein als Falschmeldung.22 (Mehr zum marokkanischen QEG an späterer Stelle.)
Seit August 2014 ist es stiller geworden um Robitaille und Fix The World (Stand: September 2014). Angeblich bastelt man dort weiter am nunmehr vierten Generator und experimentiert mit Modifikationen im Aufbau.23
Wie funktioniert der QEG?
Es ist schwierig, etwas zusammenfassend zu erörtern, das bisher offenbar von niemandem vollständig verstanden und umgesetzt wurde. Es existieren unterschiedliche Interpretationen der QEG-Baupläne, ganz zu schweigen von den verschiedenen Ansätzen zum Verständnis des Generators / Akkumulators. Die folgende Beschreibung und Erklärung des QEG kann daher nicht mehr sein als eine unvollständige Skizze – wenn Sie es genau wissen wollen, werden Sie nicht umhin kommen, sich selbst ein Bild zu machen. Einige Ausgangspunkte finden Sie am Ende dieses Artikels.
Eine Resonanzmaschine
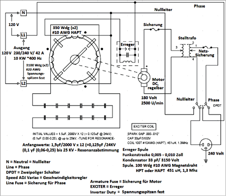
Der Wirkmechanismus des QEG basiert auf einem ungedämpften elektromechanischen Resonanzschwingkreis, genauer: einem parametrischen Oszillator.24 Das Herzstück bildet ein Ringkern aus Transformatorblechen mit vier Polen und einem darin kreisenden, magnetfreien Rotor, ebenfalls aus Transformatorblechen, der zunächst von einem herkömmlichen Motor angetrieben wird. Am Ringkern liegen zwei Primär- und zwei Auskopplungsspulen an, deren Funktion und Schaltung im Folgenden kurz umrissen wird.

Die übersetzte deutsche Version des originalen QEG-Schaltplans. (Quelle: QEG-Forum.de)
Die Primärspulen
Zusammen mit einer Kondensatorbank bilden die Primärspulen einen Schwingkreis. Dieser elektrische Schwingkreis wird durch die mechanische Schwingung des Rotors (die Drehzahl) angeregt (parametrische Anregung), wobei die Induktivität der Primärspulen (ca. 10–25 Henry) von der Rotordrehung abhängt. Dabei wird in den Primärspulen genügend Niederspannung erzeugt, um den Schwingkreis in Gang zu setzen.
Bei korrekter Einstellung des QEG treten der elektrische Schwingkreis und die mechanische Schwingung des Rotors nach einiger Zeit in Resonanz. Dazu muss die Erregerfrequenz (Rotordrehzahl) in die Nähe der Frequenz des elektrischen Schwingkreises gebracht werden. (Letztgenannte ergibt sich aus der Induktivität der Spulen und der Kapazität der Kondensatoren.) Ist dies geglückt, kommt es zu einer Resonanzüberhöhung, bei der Hochspannungsimpulse in den Primärspulen generiert werden. (In vielen QEG-Videos ist das die Stelle, an der die Lampen aufleuchten und die Leute anfangen zu jubeln: „We’ve got resonance!“ – „Wir haben Resonanz!“)
Bis hierher ist das Grundprinzip des QEG vollständig mit herkömmlicher Elektrotechnik zu erklären. Beinahe jeder bekannte Prototyp hat den Resonanz-Zustand erreicht.
Die Auskopplungsspulen
Die Abfuhr von Strom (400 Hertz) aus dem QEG im laufenden Betrieb geschieht über eine primäre und – bei Bedarf – eine sekundäre Auskopplungsspule (je 120 Volt). Bei optimalem Betrieb des QEG soll ein Teil der abgegriffenen Energie der primären Auskopplungsspule in den Motor rückgespeist werden, um den Rotor anzutreiben („self running“) – eine externe Energieversorgung, z. B. aus der Steckdose, wäre also von diesem Moment an überflüssig. Damit der QEG eine solche Leistung erbringen kann, muss der Generatorkern angeblich erst „konditioniert“ oder „polarisiert“ werden, d. h. in einen Zustand gebracht werden, in dem er selbst physisch zu schwingen beginnt und zusätzliche Spannung generiert.25
Die Erregereinheit
Zu diesem Zweck ist eine Erregereinheit (Exciter) in Reihe mit der primären Auskopplungsspule gekoppelt. Die Erregereinheit besteht aus einer Funkenstrecke, einem Kondensator und einer Spule. Laut der offiziellen QEG-Bauanleitung soll die Erregerspule dazu dienen, „einen Übertragungsweg durch das Quantenfeld (Nullpunkt) in den Generatorkern aufzubauen. Das bewirkt eine Polarisierung des Kerns, was die Ausgangsleistung mit der Zeit erhöht.“26 Nähere Erklärungen zur Erregereinheit gibt das FTW-Team in seiner Antwort auf eine öffentliche Frage auf der Website Be-Do.com:
„Der Erregerkreis ist ein Schwingkreis, der auf 1,3 Megahertz getuned ist, eine der höchsten Resonanzfrequenzen der Erde (nicht [die] Schumann[-Resonanz]). Jeder der zwei- bis dreisekündlichen Blitze [der Funkenstrecke] legt einen 1,3-MHz-Impuls auf die 400-Hz-Sinuswelle [im Kern]. Dadurch wird lokale atmosphärische Energie in den Generatorkern geleitet. Das bewirkt eine Konditionierung des Kerns auf maximalen Magnetfluss und maximale Ausgangsleistung.“27
Später wird der Aufbau abgeändert: Eine mit dem Exciter verbundene Antenne soll die „atmosphärische Energie“ akkumulieren, die in Form von sieben (statt 1,3) Megahertz starken Erregerimpulsen in den Kern geleitet wird.28


Renan Cengiz ist freier Künstler, Publizist und Kulturschaffender.
Kommentare
11. Dezember 2014, 15:26 Uhr, permalink
lKarl Rumsauer
Das sind alles Spinner oder Abzocker.der Bedini hat ne pulsation im Ladegerät, was für Accus gut ist ,da es Kristalisation verhindert.Ansonsten kann man mit Magneten oder sonstwas forschen und wird trotzdem nicht den Grundsatz der Thermodynamik ändern können.Wasserstoff oder Brownsches Gas ist auch nur Energieverschwendung.Stanley Meyers Wasserbuggy hätte 50 Liter Wasserstoff in der Minute fördern müssen,hat es aber nicht.Der hat sodar gesagt mit 100 liter Wasser kommt man von von Küste zu Küste der USA.,das müssen viel mehr sein.Dieses Thema erscheint bei ihnen regelmässig.Da es aber noch nichtmal einen Beweis gibt, sind alle ihrer vielen Auflistunge nix als Scharlatarne.Für mich ist das Bildzeitungsniveau.Das ist alles Esoterik.Und die machen selbst vor der Gesundheit nicht halt.Man vertickt denen was teures wie kollodiales Silber und die Anwender sehen aus wie ein Schlumpf, total blau ohne Heilungsmöglichkeit.Andere verticken Bücher in denen beschrieben wird ,man solle Schwimmbadchlor inwendig anwenden hilft gegen alles, selbst Autismus.Das fürt dann dazu das Mütter ihren 4 jährigen Kindern 4 mal am Tag einen Einlauf mit den Zeug verpassen.Ich weiss nicht wo sie ihre Journalistenausbildung gemacht haben,scheint aber sehr lückenhaft gewesen zu sein.
21. Dezember 2014, 22:00 Uhr, permalink
Der Nordländer
@Karl Rum,,dingsda
Herzlichen Glückwunsch, sie sind der erste der mir begegnet der wohl alle diese angeführten Verfahren auch ausprobiert hat. Denn so eine kompetente Antwort muss einfach durch weitreichende Erkenntnis gestützt werden. Oder etwa nicht ? Sie wollen Beweise wenn, sie die nicht selbst haben warum sabbern sie dann hier rum. Philosophiert dann noch mit der Thermodynamik und vergisst das diese Gesetze nur in einem geschlossenen System gelten wo alle Faktoren und auch Energien bekannt sind. Sind sie das ? Wenn sie überall Scharlatane sehen sollten sie sich auch mal einen Einlauf können. Ehrlich gesagt ist ihr Kommentar nicht nur völlig unnütz sondern beleidigt jeden normal denkenden Menschen.
Bitte Kommentar löschen habe gerade ein Geplänkel mit einem Troll begonnen.
mfg
06. Januar 2015, 21:45 Uhr, permalink
jeremie
@rumsauer:
Bist echt ein geborener Idiot!
Hast Nichts ausprobiert und lästerst über Produkte, die auch Deine Krankheiten heilen würden.
Jeder ist skeptisch, aber Versuch macht klug.
Spar Dir doch Deine Kommentare, wenn Du sie nur nach deinen Bauchgefühlen schreibst...
12. Januar 2015, 14:57 Uhr, permalink
Regen
Die Leute, die die Pläne des QEG verteilten, haben im Februar noch behauptet: „The instructions will be complete and correct. For the experienced engineer who should choose to follow them carefully they will produce a safe working product.”
Die Pläne wurden dann Ende März mit folgendem Text veröffentlicht: “Our Quantum Energy Generator (QEG) provides 10KW of power output for less than 1KW input, which it supplies to itself…
We’ve open sourced a full set of instructions, user manual, schematics and parts list for any engineer to follow and reproduce the same results.”
Seit Mai kann man aber lesen: „Apparently some groups and individuals were expecting a completely finished product to be delivered into their hands, with nothing left to do. We have always said that as soon as we got the basic resonance from the machine, we would open source all the information we had, and that’s what we’ve done. The intent was to co-develop the machine in an open source platform”
Wie jetzt, erst hatten sie eine funktionierende Maschine, die man nur geschickt nachbauen muss, aber jetzt muss das Teil erst noch entwickelt werden?
Noch ärgerlicher finde ich, dass zwischenzeitlich behauptet wurde, man habe overunity erreicht, und dazu Daten veröffentlicht, bei denen man die Wirkleistung des treibenden Motors mit einer Blindleistung am Ausgang vergleicht. Teilweise wird diese schlicht als Produkt der peak-to-peak-Werte von Strom und Spannung am Ausgang angegeben, die Phasenbeziehungen bei der Gelegenheit gleich ebenfalls ignorierend und die Jünger bejubeln „30 times overunity“. So einen Unsinn haut man einem Elektrikergesellen im ersten Lehrjahr um die Ohren.
Den Punkt hat man dann Wochen später auch wieder zurückgezogen und dann behauptet, man habe einen Weg gefunden Blind- in Wirkleistung umzuwandeln. Auch davon ist heute keine Rede mehr.
Dafür verfolgt man nun die Strategie von WITT indam man in teuren Video-Sessions den Aufbau erklärt der dann zu einem Generator führt der KEINE Overunity erreicht.
Der QEG ist nichts als reine Abzocke.
04. Mai 2015, 04:48 Uhr, permalink
Xentor
Tja ob das Teil da funktioniert, weiß ich nicht. Ich weiß das Tesla mal was hatte mit dem er ein elektroauto (kein Spielzeugauto) ohne bezn fahrne lassne konnte, aber das wurde nie offengelegt.
Was so dubiose Webangebote angeht, bin ich immer sehr skeptisch, weil ich bisher keines gesehen habe das funktionierte (leider). Ich habe mal eine interessante Seite zum Thema Kaltfusion gefunden, sogar mit tollen Videos, aber da passierte leider auch nichtmehr viel und war nur eNglisch. Aber mit tonnenweise Informationen, Formeln, Anleitungen (wirklich detailierte), aber dneke, die darf man hier nicht posten.
Ich denke aber zumindest das man durch ausnutzung der gespeicherten ENergie in Permanentmagneten, Strom erzeugen kann. Hierbei wird im übrigen nicht mal der Energieerhaltungssatz beschädgigt, weil man eben eine bereits gespeicherte ENergie anzapft.
01. November 2024, 21:41 Uhr, permalink
Zappzerapp
@ lKarl Rumsauer
Ohh guck mal Mama ein Illuminaten-Troll !!! Ich dachte die sind schon längst ausgestorben ? Warscheinlich sind seine Freunde die Zeugen Coronas ? WTF
02. November 2024, 20:00 Uhr, permalink
Drusius
Wer nicht sucht, kann nichts finden.
Kommentar schreiben